Manufacturers since 1958
Ruedas Alex

HUAB SERIES-HLB 2-3538

See comparative
Code: 2-3538

Castors with steel centre and cast polyurethane tyre with a hardness of 95º Shore A, with a ball-shaped tread tyre, especially indicated to support high-loads up to 800 Kg.

It is used in: logistics transport tools, outdoor areas, internal logistics, movile platforms, elevating platforms, tranport carts, logistics for military missions material, heavy machinery in the construction sector, mobile cranes and sport centres.

Mainly used in the aeronautic sector, railway and automobile factories.

HUAB: Easy to use. High absorption to impacts. Unfavourable flooring surfaces conditions. Rough surfaces, broken glass, with metallic shavings, oil stains, broken glass, grease and gravel.

Components

Brackets

Heavy fabricated castor made of welded steel up to 8 mm. Painted black. Combination of thrust ball bearing and tapered roller bearing in the swivel head: the upper for axial eff orts and the lower for radial efforts. Grease nipples on the swivel head and the wheel. Manufactured to European standards EN 12532/12533.

Wheel

Polyurethane tyre on cast iron centre
Temperature range: -20º ÷ +60º
Rolling Resistence Excelent
Noise during the march Good
Floor Protection Good

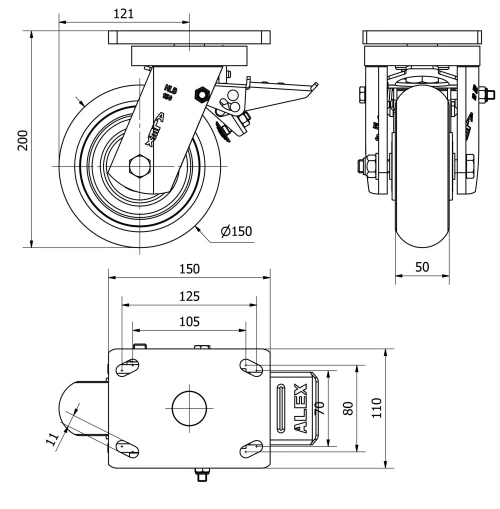
Technical Data 2-3538

EAN:
8422202235387
Housing Type:
Swivel
Fitting Type:
Plate
Braking System:
Wheel Brake And Fork
Material:
Polyurethane
Hardness of tread:
95º SHORE A
Bearing:
Ball
Diameter (mm):
150
Width of tyre (mm):
50
Plate dimensions (mm):
150x110
Distance between holes (mm):
105x80
Plate hole diameter (mm):
10
Offset (mm):
121
Overall height (mm):
200
Load:
600
Unit Weight of the wheel (kg):
6,52
Volume (cm3):
5038
Technical Data 2-3538

Private area

Regístrate
Download in 3D formats
Download in 2D formats
DWG
Download PDF
PDF
Price
--

Similar products

Contact

Contact us

Send us the following form and we will contact you to answer your question.

Contact information:
Email: info@alex.es
Phone: (+34) 974 035 345
Opening hours:
Monday to Friday: 8-14h / 15-18h
Saturday and Sunday: Closed
Responsable: Ruedas Alex, S.L.U, siendo la Finalidad: gestionar el contacto entre cualquier interesado y nuestros servicios de atención. La Legitimación: es gracias a tu consentimiento. Destinatarios: no se comunicarán los datos personales a ningún tercero. Podrás efercer Tus Derechos de Acceso, Rectificación, Supresión, Limitación, Oposición y Portabilidad en rgpd@alex.es. Para más información consulte la Política de Privacidad.

Keep informed about all news, offers and promotions we have for you.