Manufacturers since 1958
Ruedas Alex

HLB SERIES-PO 2-3365

See comparative
Code: 2-3365

Castors with white nylon centre and red polyurethane tyre with a hardness of 90-95º Shore A. Mechanical traction. Especially indicated to support high-loads up to 600 Kg.

It is used in: logistics transport tools, outdoor areas, internal logistics, carbody factories, mobile platforms, elevating platforms, logistics for military missions material, heavy machinery, mobile cranes, elevating tables, boilers, sweeping machines, metallurgical factories, chemical factories and public services.

Mainly used in the aeronautic sector, railway and automobile factories.

PO: elastic and noiseless functioning. High floor protection. Noiseless. Long useful life.

Components

Brackets

Heavy fabricated castor made of welded steel up to 8 mm. Painted black. Combination of thrust ball bearing and tapered roller bearing in the swivel head: the upper for axial eff orts and the lower for radial efforts. Grease nipples on the swivel head and the wheel. Manufactured to European standards EN 12532/12533.

Wheel

Red polyurethane tyre on white polyamide centre.95º shore A
Temperature range: -25º ÷ +80º
Rolling Resistence Very Good
Noise during the march Very Good
Floor Protection Very Good

Technical Data 2-3365

EAN:
8422202233659
Housing Type:
Swivel
Fitting Type:
Plate
Braking System:
Directional Lock
Material:
Polyurethane
Hardness of tread:
90-95º SHORE A
Bearing:
Plain
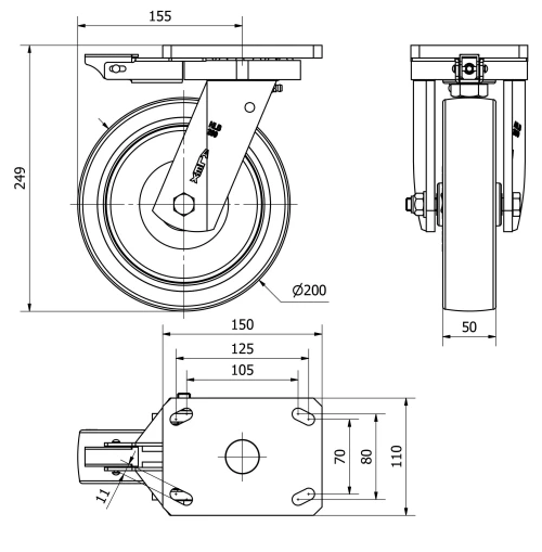
Diameter (mm):
200
Width of tyre (mm):
50
Plate dimensions (mm):
150x110
Distance between holes (mm):
105x80
Plate hole diameter (mm):
10
Offset (mm):
155
Overall height (mm):
249
Load:
600
Unit Weight of the wheel (kg):
4,899
Volume (cm3):
6300
Technical Data 2-3365

Private area

Regístrate
Download in 3D formats
Download in 2D formats
DWG
Download PDF
PDF
Price
--

Similar products

Contact

Contact us

Send us the following form and we will contact you to answer your question.

Contact information:
Email: info@alex.es
Phone: (+34) 974 035 345
Opening hours:
Monday to Friday: 8-14h / 15-18h
Saturday and Sunday: Closed
Responsable: Ruedas Alex, S.L.U, siendo la Finalidad: gestionar el contacto entre cualquier interesado y nuestros servicios de atención. La Legitimación: es gracias a tu consentimiento. Destinatarios: no se comunicarán los datos personales a ningún tercero. Podrás efercer Tus Derechos de Acceso, Rectificación, Supresión, Limitación, Oposición y Portabilidad en rgpd@alex.es. Para más información consulte la Política de Privacidad.

Keep informed about all news, offers and promotions we have for you.