Manufacturers since 1958
Ruedas Alex

HLB SERIES-TA 2-3391

See comparative
Code: 2-3391

Steel castors, especially indicated to support high-loads up to 1.350 Kg.

It is used in: logistics transport tools, furnaces standing high temperatures (-40º to +300º) and heavy machinery for the construction sector.

Mainly used in the railway sector and automobile factories.

TA: very tough work conditions where the existence of cutting objects, chemical products or high temperatures would destroy other kind of castors. Heavy duty.

For temperatures above 200ºC, load (Kg) should be reduced by 40%.

Components

Brackets

Heavy fabricated castor made of welded steel up to 8 mm.Painted black.Combination of thrust ball bearing and tapered roller bearing in the swivel head: the upper for axial eff orts and the lower for radial efforts.Grease nipples on the swivel head and the wheel.Manufactured to European standards EN 12532/12533.

Wheel

Cast iron wheel
Temperature range: -40º ÷ +300º
Rolling Resistence Excelent
Noise during the march Sufficient
Floor Protection Sufficient

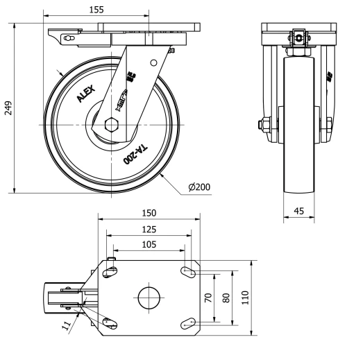
Technical Data 2-3391

EAN:
8422202233918
Housing Type:
Swivel
Fitting Type:
Plate
Braking System:
Directional Lock
Material:
Cast Iron
Bearing:
Plain
Diameter (mm):
200
Width of tyre (mm):
45
Plate dimensions (mm):
150x110
Distance between holes (mm):
105x80
Plate hole diameter (mm):
10
Offset (mm):
155
Overall height (mm):
249
Load:
1250
Unit Weight of the wheel (kg):
8,815
Volume (cm3):
6300
Technical Data 2-3391

Private area

Regístrate
Download in 3D formats
Download in 2D formats
DWG
Download PDF
PDF
Price
--

Similar products

Contact

Contact us

Send us the following form and we will contact you to answer your question.

Contact information:
Email: info@alex.es
Phone: (+34) 974 035 345
Opening hours:
Monday to Friday: 8-14h / 15-18h
Saturday and Sunday: Closed
Responsable: Ruedas Alex, S.L.U, siendo la Finalidad: gestionar el contacto entre cualquier interesado y nuestros servicios de atención. La Legitimación: es gracias a tu consentimiento. Destinatarios: no se comunicarán los datos personales a ningún tercero. Podrás efercer Tus Derechos de Acceso, Rectificación, Supresión, Limitación, Oposición y Portabilidad en rgpd@alex.es. Para más información consulte la Política de Privacidad.

Keep informed about all news, offers and promotions we have for you.